
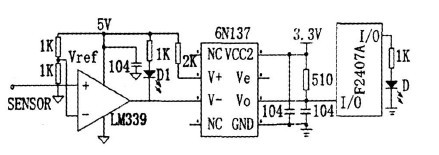
每个轴的步进电机都必须在一定的安全范围之内运行,所以在每个支撑导轨的两端均安装一个限位传感器。限位传感器是由光电传感器以及辅助电路构成,其基本原理是当数控雕铣机床在某个轴上移动时,安装在该轴上的挡光板将会在光电传感器的发光端和接收端之间移动。根据数控雕铣机床工作台移动距离设定轴上两端的极限位置,当挡光板随工作台移动到极限位置时,光电传感器的输出电平将发生变化,DSP检测到电平变化后,停止发送步进电机脉冲信号并发出限位报警信号。下图是一个轴的正限位传感器信号处理电路,传感器信号经比较器LM339,与参考电压Verf比较,高于Vref则输出高电平,反之输出低电平(为极限点位置),输出低电平时传感器工作指示灯D1点亮。开关信号经6N137隔离降压后送F24O7A的I/O口检测,若超出极限范围,则电机停转,同时发出报警指示信号。为了给运动坐标进行标定,在每个轴上都设置一个原点位置,并在此处安装了一个位置传感器,每个轴的运动坐标都以该点为基准,原理与限位传感器相同。

数控雕铣机床限位控制模块电路图
上一篇:数控雕铣机床的电机控制模块