
以高速度、高精度、智能化和信息化为基础的新一代开放式数控技术,为我们实现对数控雕铣机床生产的控制、监视、诊断、补偿和调整等功能提供了很好的实现平台。使我们对形状复杂、精度要求高和尺寸较小工件的加工成为相对比较容易的事情。
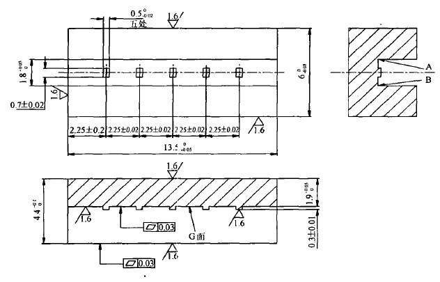
中电集团第55所生产的微波芯片如图1所示,由于其加工精度要求为小于0.01mm,且尺寸较小,最小的槽宽只有0.6mm,其深度却有215mm,加工铣刀的直径小于0.5mm,手工加工或普通数控雕铣机床加工难以保证其精度要求,而且,刀具容易折断。此外,随着产品的定型,该零件的需求量越来越大,所以,采用高速雕铣机床来进行该零件的加工。

图示 微波芯片
上一篇:三维数控雕铣机床的控制系统
下一篇:选用正确的加工机床