
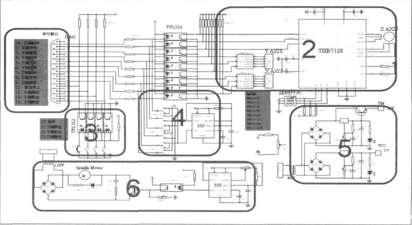
根据执行电机的电特性和PC机的并口配置,确定电路的输入输出,解决脉冲环分、正反转、信号反馈、电流设定等格式匹配问题,完成了接口电路的设计,其接口电路原理如图1所示。

图1 一帆电脑雕刻机接口电路原理图
电路接口电路的设计根据步进电机的性能参数,选定相应的驱动芯片THB7128,设计外围电路,如拨码开关设置细分驱动数,电流设定端VERF的电压大小和外接检测电阻Rs大小。接口电路与上位机MACH3的输出端口25针脚并口相衔接,包括正反转,脉冲输入,以及两级电路的隔离、防噪等。
模块1:并口DB25针脚连接。
接口板与上位机的并口DB25针接口引脚的连接图分为输入、输出和未定义三种信号引脚。25针中2-9针和14号引脚是输出信号,即电机的脉冲、方向和使能控制引脚,分别对应控制电机的转速、方向和使能。
模块2:驱动芯片THB7128和电机的连接。
驱动芯片和电机的线圈的连接,以及驱动芯片的驱动参数值的设定对应的电路,包括细分数、驱动电流、斩波频率等。
模块3:行程限位开关和急停按钮。
模块4:手动控制模块。
在对刀或者进行工件试切的时候,需要在下位机通过按钮进行对刀或试切,以方便技术人员进行操作,提高效率。555脉冲发生器通过外接变位器,提供频率可调的脉冲,使得在刀具在三个方向均能获得不同的进给速度。
模块5:电源供应。
将220V的交流电转变成较稳定的直流电。
模块6:主轴直流电机PWM调速。
在电路中加一个频率和占空比可调的脉宽调制控制电路,一个可以放大和续流电路,使主轴电机的转速在一定范围内可调。
上一篇:一帆电脑雕刻机机械结构
下一篇:电脑雕刻机控制系统及加工模拟