
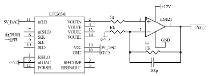
数控雕铣机系统需要模拟信号对现场进行实时控制,宁波市kiayun手机版登录所设计的系统采用了数模转换电路,选用的DA器件是LINEAR公司生产的LTC2654I,这是一款16位高速4通道工业级的DA芯片。这部分具体电路如下图所示,图中的5V电源部分使用100μH的电感,隔离了来至其它部分的干扰,这款DA最后输出的是电压信号,为了提高这些电压信号的驱动能力,系统采用电压串联负反馈电路进行处理,图只画出了其中一路,运算放大器采用的是LM324,这部分电路有很大的输入阻抗,输出阻抗很小,因此带负载的能力很强。

图 数模转换电路
上一篇:小型数控雕铣机的控制器电路
下一篇:数控雕铣机刀具运动控制电路